Свяжитесь с нами по электронной почте

export@allvalve.cn

Продукты
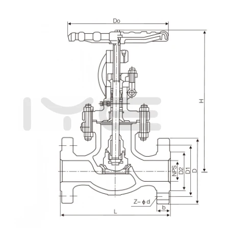
Фланцевый проходной клапан из нержавеющей стали ANSI 150LB
  • Фланцевый проходной клапан из нержавеющей стали ANSI 150LBФланцевый проходной клапан из нержавеющей стали ANSI 150LB
  • Фланцевый проходной клапан из нержавеющей стали ANSI 150LBФланцевый проходной клапан из нержавеющей стали ANSI 150LB
  • Фланцевый проходной клапан из нержавеющей стали ANSI 150LBФланцевый проходной клапан из нержавеющей стали ANSI 150LB

Фланцевый проходной клапан из нержавеющей стали ANSI 150LB

DIYE VALVE – экспортер фланцевого клапана из нержавеющей стали ANSI 150LB. Наши фланцевые клапаны ANSI строго спроектированы и изготовлены в соответствии с международными стандартами, включая ANSI/ASME B16.34. Корпуса клапанов изготовлены из высококачественных материалов, таких как нержавеющая сталь 304/316/316L, имеют стандартизированную конструкцию фланцевого соединения и подходят для классов давления от класса 150 до класса 600. Номинальный диаметр

1. Фланцевый проходной клапан из нержавеющей стали ANSI 150LB имеет конструкцию диска с поднимающимся штоком. Уплотнительные поверхности диска и седла отшлифованы или наплавлены сплавом Stellite, что обеспечивает превосходные характеристики уплотнения и позволяет эффективно регулировать поток среды во время операций включения-выключения. Шток клапана доступен в исполнении с внешним винтом и траверсой (OS&Y) или в конструкции с невыдвижным штоком для предотвращения утечки среды, что делает его пригодным для условий работы, связанных с высоким давлением и средами высокой чистоты.

2. Обработка корпуса клапана: поверхности фланцев, уплотнительные поверхности и соединительные поверхности среднего фланца фланцевого седельного клапана ANSI прецизионно обработаны и отшлифованы на станках с ЧПУ, что обеспечивает плотное прилегание к фланцам трубопровода и соответствует стандарту фланцев ANSI B16.5.

3. Обработка стержня клапана. Стержень клапана фланцевого шарового клапана из нержавеющей стали ANSI 150LB изготовлен из прутков высокопрочной нержавеющей стали путем токарной обработки, закалки и отпуска, термообработки, а также обработки резьбы. Его поверхность подвергается азотированию или хромированию для повышения коррозионной стойкости и износостойкости, что позволяет адаптировать его к длительным операциям включения-выключения в условиях работы под высоким давлением.


Наши преимущества


1. Благодаря активному участию на зарубежном рынке, наш фланцевый проходной клапан из нержавеющей стали ANSI 150LB точно соответствует международным стандартам и требованиям клиентов, а также поддерживается зрелой и эффективной системой экспортного обслуживания.

2.Наши фланцевые проходные клапаны из нержавеющей стали ANSI 150LB китайского производства производятся и проверяются в строгом соответствии со стандартами API/ANSI, что обеспечивает надежное уплотнение и длительный срок службы продукции.

3. На все фланцевые клапаны ANSI распространяется гарантия сроком на один год. В случае неисправностей, не связанных с человеком, в течение гарантийного срока предоставляются услуги по ремонту или замене, что обеспечивает беззаботное послепродажное обслуживание.







Вопрос: Каковы основные преимущества фланцевого клапана из нержавеющей стали по сравнению с задвижкой и шаровым краном?

A: Шаровой клапан из нержавеющей стали с фланцем 150 фунтов специализируется на дросселировании и контроле потока, что является его самым большим преимуществом. По сравнению с задвижками, он обеспечивает точную регулировку потока и лучшую герметичность уплотнения; по сравнению с шаровыми кранами он больше подходит для случаев, когда требуется стабильное дросселирование при среднем и низком давлении. В сочетании с коррозионной стойкостью нержавеющей стали 304/316L он широко используется в нефтехимической промышленности, на электростанциях и в прецизионных системах управления жидкостями.


Вопрос: Каковы требования к направлению потока для фланцевого клапана из нержавеющей стали 150 фунтов во время установки?

A: Он имеет строгие требования к направлению потока и должен быть установлен в соответствии с направлением «низкий вход и верхний выход», отмеченным на корпусе клапана. Такая конструкция обеспечивает плотное прижатие диска клапана к седлу клапана под действием среднего давления, что повышает эффективность уплотнения. При установке в обратном направлении это не только снизит точность дросселирования и эффект уплотнения, но также увеличит рабочий крутящий момент и даже приведет к повреждению клапана под высоким давлением.





Горячие Теги: Фланцевый проходной клапан из нержавеющей стали ANSI 150LB, Поставщик проходных клапанов из нержавеющей стали, Производитель промышленных проходных клапанов
Отправить запрос
Контакты
  • Адрес

    № 2367, 11-я дорога, промышленный парк Биньхай, город Вэньчжоу, провинция Чжэцзян, Китай

  • Электронная почта

    export@allvalve.cn

Если у вас есть какие-либо вопросы по поводу предложения или сотрудничества, пожалуйста, отправьте электронное письмо или воспользуйтесь следующей формой запроса. Наш торговый представитель свяжется с вами в течение 24 часов.
X
Мы используем файлы cookie, чтобы предложить вам лучший опыт просмотра, анализировать трафик сайта и персонализировать контент. Используя этот сайт, вы соглашаетесь на использование нами файлов cookie. политика конфиденциальности
Отклонять Принимать